| 产品标题:C-KJL 03-00,弯管,快换接头,C-KJ(微型)系列 产品ID:VIB20120424222653734 品 牌:CKT 西克迪 所在地:中国 上海 价 格:面议 (大量采购价格面议) 库存状态:货期待查 更新日期:2025-4-24 6:36:05 咨询电话:(+86)021-51699285 咨询Q Q: 2695337323 |
产品简介:

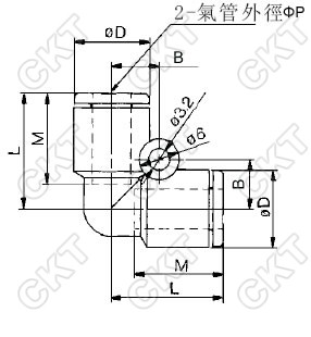
|
ΦP |
型 号 |
ΦD |
L |
B |
M |
|
Φ3 |
C-KJL 03-00 |
8.4 |
15.1 |
5.9 |
12.8 |
|
Φ3.2 |
C-KJL 23-00 | ||||
|
Φ4 |
C-KJL 04-00 |
9.3 |
15.9 |
6.4 | |
|
Φ6 |
C-KJL 06-00 |
11.6 |
17.2 |
7.4 |
13.6 |
定购说明:

特点:微型设计节省空间,快速方便;接头螺纹涂有密封胶,可省去胶带的缠绕。
基本材料:铜;不锈钢;工程塑料;耐老化橡胶。
最高使用压力:1.0MPa(10.2kgf/cm2)用于真空系统时真空压力应限定在 10Torr以下。
使用软管材料:尼龙或PU。
适用流体:水或空气
